| Sign In | Join Free | My ecer.com.ru |
|
Brand Name : Greenfair
Model Number : EI35
Certification : CE, UL, ISO9001
Place of Origin : China
MOQ : 1000pcs
Payment Terms : T/T
Packaging Details : carton box, plastic blister box
power supply phase : single phase
PVC LEAD WIRE : UL1015
anti-moisture : open
varnish : vacuum varnish
winding : two windings
lamination core : EI66 H50N,0.5T
bobbin : EI66*22.3,PA66
Hi-pot : 3000Vac 1mA 60S
Linear EI66 power transformer 50 / 60Hz with lead wire terminal silicon lamination low frequency transformer
The products are mainly used in various types of Access Controller, Building Intercom, Safety& Security Power Supply, network, DVD, monitors, computer, communication products, lighting systems and instruments and other products.
Low frequency transformer is applicable to alternating voltage with input voltage of 100V-440V, working frequency of 50/60HZ and working enviroment temperature of -25℃ - 70℃ . The product specification is standardized, which is convenient for production.

| ELECTRICAL CHARACTERSTIC: | ||||||||
| NO. | ITEM | MEASURED POINT | TECHNICAL DATA | REMARK | ||||
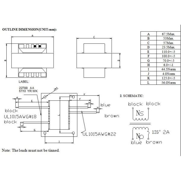
| 1 | NO LOAD VOLTAGE | Np(BLACK--BLACK) | 13V±10% | (BLU--BRN )INPUT 240V 50Hz | ||||
| 2 | NO LOAD CURRENT | Np(BLUE--BROWN ) | 60mAMAX | (BLU--BRN )INPUT 240V 50Hz | ||||
| 3 | FULL LOAD VOLTAGE | Ns(BLACK--BLACK) | 12V±5% | (BLU--BRN ) INPUT 240V 50Hz & LOAD=1.4Aac | ||||
| 4 | HI-POT | Np--Ns | 3000Vac | 1mA 60S | ||||
| 5 | HI-POT | Np,Ns--C | 1500Vac | 1mA 60S | ||||
| 6 | DCR | Np | 110ΩMAX | 20℃ | ||||
| 7 | DCR | Ns | 0.3ΩMAX | 20℃ | ||||
The implementation of standards: GB19212.5-2006 "special requirements for general purpose isolation transformer".
GB19212.7-2006 "special requirements for safe isolation transformers for general use".
GB19212.18-2006 "special requirements for transformer for switch type power supply".
| PARAMETER: | ||||||||||
| NO | WINDING | MATERIAL | BARRER TAPE | TUBE | LEAD LINE | TURNS | ISOLATION BETWEEN LAYERS | |||
| TOP | BOTTOM | START | FINAL | |||||||
| 1 | N1 | 2UEWΦ0.23mm(REF.) | BLUE--BROWN | 1570Ts(REF.) | 2Ts Min. | |||||
| 2 | N2 | 2UEWΦ0.90mm(REF.) | BLACK--BLACK | 84Ts(REF.) | 2Ts Min. | |||||
| MATERIAL: | ||||||||||
| NO. | MATERIAL NAME | MATERIAL NORM | MANUFACTURE | NOTE | ||||||
| 1 | SILICON METAL STRIP | EI66 H50N,0.5T | TING SHUN PRECISION INDUSTRY CO., LTD OR EQUIVALENT | |||||||
| 2 | BOBBIN | EI66*22.3,PA66 | BASF AKTIENGESELLSCHAFT OR EQUIVALENT | E41871 | ||||||
| 3 | WIRE | MW-75C OR MW-80C OR MW-5 | JIANGSU DARTONG QINGJIANG M & E CO LTD OR EQUIVALENT | E237377 | ||||||
| 4 | TAPE | CT-XXX or PZ-XXX,130℃,UL94V-0 | JINGJIANG YAHUA PRESSURE SENSITIVE GLUE CO,LTD OR EQUIVALENT | E165111 | ||||||
| 5 | THERMAL CUT-OFF | A3 125℃/250V/2A | AUPO ELECTRONICS LTD OR EQUIVALENT | E140847 | ||||||
| 6 | PVC LEAD WIRE | UL1015 | TOP RESOURCES CO LTD OR EQUIVALENT | E179065 | ||||||
| 7 | VARNISH | 8562-C,MW28 | HANG CHEUNG PETROCHEMICAL LTD OR EQUIVALENT | E200154 | ||||||
General information:
It is recommended that the temperature of the part does not exceed +125°C under worst case conditions.
Storage Temperature: -40°C to 85°C
Operating Temperature: -40°C to 125°C
Test conditions of Electrical Properties: 20°C, 33% RH if not specified differently
We will feel appreciated if you can provide the parameters of the product or the photo of the item.
All products of the size,electrical performance can be designed
according to customer requirements in R&D.
Don’t hesitate to contact us if any interesting in our products.

|
|
Linear EI66 Low Frequency Transformer 50 / 60Hz Lead Wire Terminal Silicon Lamination Images |